menu
sub-menu
:: 건식단판전자(clutch & brake)제품분류 ::
DS series 건식단판전자 clutch & brake
-----------전자 clutch & flange 취부형
-----------전자 clutch & 베어링 취부형
-----------전자 brake
DCB 양축형 clutch & brake unit
DCB 통축형 clutch & brake unit
DC-B형 직류형 clutch & brake unit
DCC형 double clutch unit
DCCB형 double clutch & brake unit
DCBM형 motor직결형 clutch & brake unit
DCBW형 웜감속기 일체형 clutch & brake unit
geared motor clutch & brake 직결형(G형)
웜 감속기 직결형 clutch & brake
전자 CLUTCH / BRAKE 취부 예
CLUTCH / BRAKE 기본적인 용도
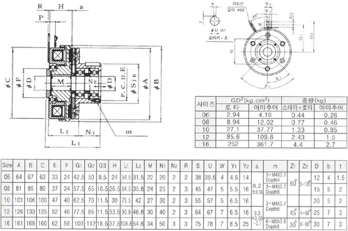
▣ 전자 clutch & 베어링 취부형
▣ 용도
베어링 부착한 스테터와 각종 아마추어를 조립시킨 부착이 용이한 전자 크러치로 연결, 분리,변속, 정역전 고빈도 운전 소프트, 스타트와 스톱, 촌동고부하 보호등에 사용합니다.
▣ 사양
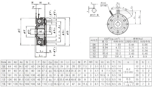
▣ DCS형 - 다이렉트부착형 아마추어(통축형)
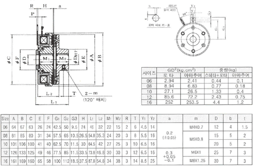
▣ DCSH형 - 베어링부착형 아마추어(통축형)
▣ DCSP형 - 샤우트부착형 아마추어(양축형)
copy