menu
sub-menu
:: 건식단판전자(clutch & brake)제품분류 ::
DS series 건식단판전자 clutch & brake
-----------전자 clutch & flange 취부형
-----------전자 clutch & 베어링 취부형
-----------전자 brake
DCB 양축형 clutch & brake unit
DCB 통축형 clutch & brake unit
DC-B형 직류형 clutch & brake unit
DCC형 double clutch unit
DCCB형 double clutch & brake unit
DCBM형 motor직결형 clutch & brake unit
DCBW형 웜감속기 일체형 clutch & brake unit
geared motor clutch & brake 직결형(G형)
웜 감속기 직결형 clutch & brake
전자 CLUTCH / BRAKE 취부 예
CLUTCH / BRAKE 기본적인 용도
▣ 전자 Brake
▣ 용도
각종브레이크 아마추어를 사용해서 스테터와 조합시킨 경량. 성 스페이스의 전자브레이크로 정지, 멈춤, 고빈도동작, 촌동, 부드러운 정지 정위치등에 사용적합합니다.
▣ 사양
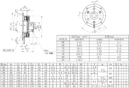
▣ DB형 - 다이렉트부착형 아마추어
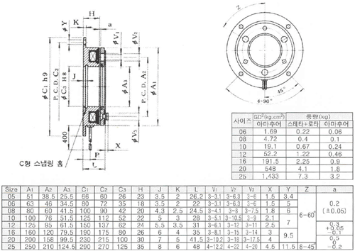
▣ DBR형 - 샤프트 부착형 아마추어(내보스형)
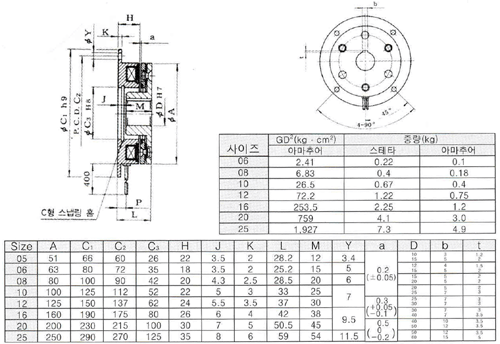
▣ DBP형 - 다이렉부착형 아마추어(양축형)
copy