menu
sub-menu
:: 건식단판전자(clutch & brake)제품분류 ::
DS series 건식단판전자 clutch & brake
-----------전자 clutch & flange 취부형
-----------전자 clutch & 베어링 취부형
-----------전자 brake
DCB 양축형 clutch & brake unit
DCB 통축형 clutch & brake unit
DC-B형 직류형 clutch & brake unit
DCC형 double clutch unit
DCCB형 double clutch & brake unit
DCBM형 motor직결형 clutch & brake unit
DCBW형 웜감속기 일체형 clutch & brake unit
geared motor clutch & brake 직결형(G형)
웜 감속기 직결형 clutch & brake
전자 CLUTCH / BRAKE 취부 예
CLUTCH / BRAKE 기본적인 용도
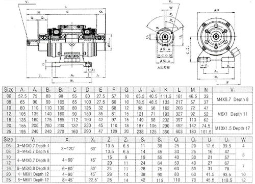
▣ DCC형 Double Clutch Unit
▣ 용도
2개의 전자크러치를 통하는 축상에 조립한 개방형의 더블 크러치 유니트.
▣ 사양
▣ 촌법
copy